Diese Profil-Neuentwicklung senkt mit jedem «Klick» Montagekosten.

Bei den Fachhändlern und Handwerkern für Treppen punkten jene Hersteller, die attraktive Produkte anbieten, welche sich einfach, ohne grossen Aufwand und zuverlässig montieren lassen. Auf der Suche danach war eine deutsche Treppenmanufaktur, die für ihre langlebigen und energieeffizienten Dach- und Geschosstreppen einen ausgezeichneten Ruf geniesst. Sie beauftragte mobil ksp, ein montagefreundlicheres Profils für Dachtreppenluken zu entwickeln.

Die Herausforderung

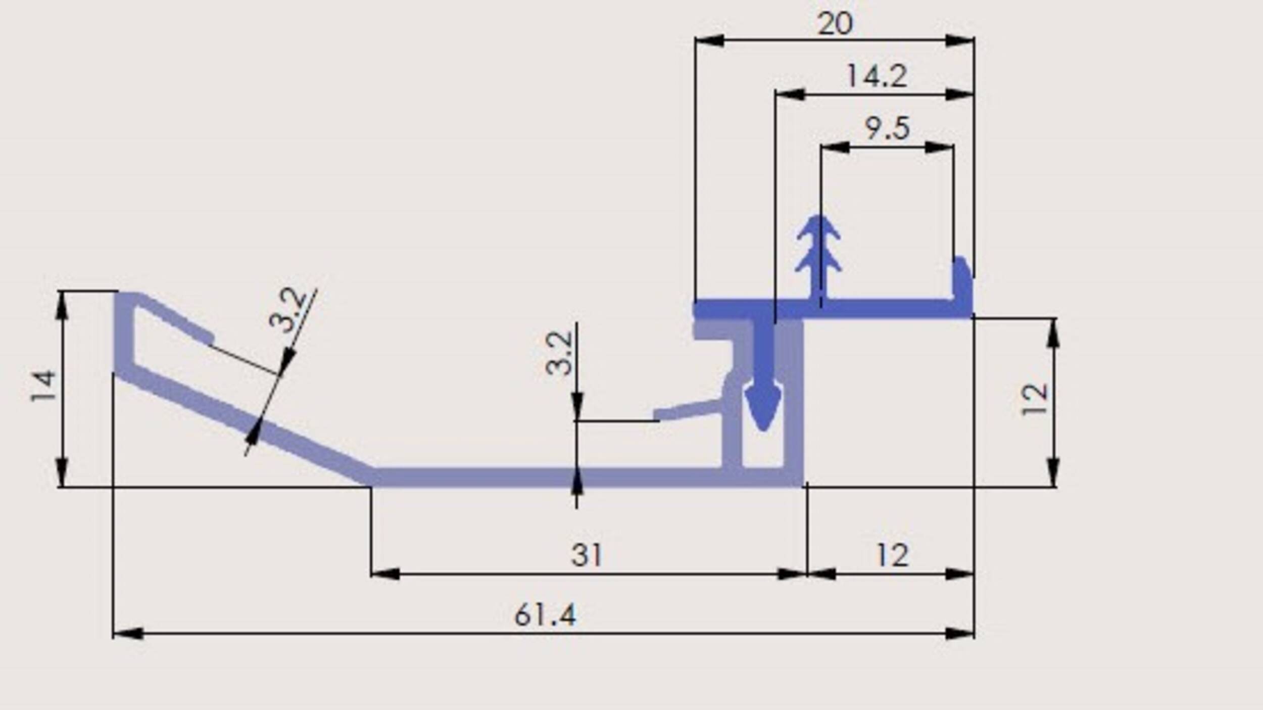
Bisher kam ein einteiliges Abdeckprofil an der Dachtreppenluke zum Einsatz. Die Montage erfolgte auf der Baustelle «über Kopf» und war entsprechend umständlich, zeitaufwendig und im Resultat nicht immer zufriedenstellend.

Die gemeinsame Lösung

Bei der gemeinsamen Definition der Anforderungen an ein neues Profil standen drei Aspekte im Vordergrund: die einfachere Montage vor Ort, ein zeitgemässes und wertiges Profildesign sowie eine Ausführung in zwei Varianten – kostengünstig als reines Montageprofil und als Premium-Variante mit einem Abdeckprofil. Die Lösung von mobil ksp ist eine zweiteilige Ausführung, bestehend aus einem Montage- und einem Abdeckprofil. Das Montageprofil wird bereits bei der Fertigung der Dachtreppenluke angebracht. Das Abdeckprofil kann durch die «Einklick-Konstruktion» einfach bauseitig angebracht werden.

Die Kundenvorteile

Montagekosten spürbar gesenkt
Die Abdeckung der Dachtreppenluke lässt sich einfacher und schneller montieren. 

Absatz gesteigert
Die Zeitersparnis bei der Montage, in Kombination mit dem ansprechenden und zeitgemässen Design, steigert die Nachfrage und den Umsatz im Fachhandel.